Категории
Кран шаровый стальной полнопроходной КОМПАКТ
Характеристики
Макс. температура (Т) °С.: до +80 °С
Мин. температура (Т) °С.: до -40 °С (исп. У), до -60 °С (исп. ХЛ)
Класс герметичности: Класс «А» ГОСТ 9544-2015
Проход: Полнопроходной
Гарантийный срок: 3 года
Срок службы: Не менее 40 лет*
Присоединение: Фланцевое
Природный газ, сжиженные углеводородный газ и другие газообразные среды, неагрессивные для материалов деталей крана.
Модификации
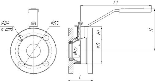
| Артикул | DN | PN | L | L1 | H | H1 | D | D1 | D2 | D3 | n отв. | Вес,кг. | |
|---|---|---|---|---|---|---|---|---|---|---|---|---|---|
| 39320050 КОМПАКТ | 50 | 40 | 86 | 245 | 140 | 39 | 89 | 125 | 48 | 18 | 4 | 5,45 | |
| 39320080 КОМПАКТ | 80 | 16 | 121 | 282 | 185 | 56 | 133 | 160 | 75 | 18 | 4 | 9,30 |