Категории
КРАН ШАРОВОЙ TEMPER КОМПАКТ ПОЛНОПРОХОДНОЙ
Характеристики
Макс. температура (Т) °С.: до +80 °С. Кратковременный нагрев (Т): до +100°С
Мин. температура (Т) °С.: до -40 °С (исп. У), до -60 °С (исп. ХЛ)
Класс герметичности: Класс «А» ГОСТ 9544-2015
Срок службы: Не менее 40 лет или не менее 10 000 циклов
Гарантийный срок: 3 года
Проход: Полнопроходной
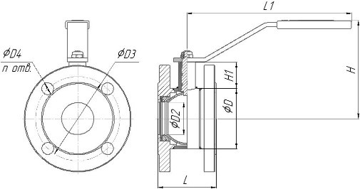
Присоединение: Фланцевое. Присоединительные размеры фланцев: ГОСТ 33259-2015
Краны предназначены для установки в стеснённых условиях.
Тип присоединения: фланцевое
Рабочая среда:
Теплосетевая вода, нефтепродукты, ГСМ и другие рабочие среды, неагрессивные для материалов деталей крана.
Модификации
| Артикул | DN | PN | L | L1 | H | H1 | D | D2 | D3 | D4 | n отв. | Вес,кг. | |
|---|---|---|---|---|---|---|---|---|---|---|---|---|---|
| 29320080 компакт | 16 | 121 | 277,6 | 184,1 | 56,1 | 133 | 75 | 160 | 18 | 4 | 9,69 | ||
| 29320050 компакт | 50 | 40 | 86 | 243 | 145,3 | 39 | 89 | 48 | 125 | 18 | 4 | 5,5 | |
| 29320100 компакт | 100 | 16 | 160 | 526 | 184,3 | 61,3 | 180 | 100 | 180 | 18 | 8 | 15,81 |